Study
lib
Documents
Flashcards
Chrome extension
Login
Upload document
Create flashcards
×
Login
Flashcards
Collections
Documents
Last activity
My documents
Saved documents
Profile
Foreign Language
Math
Science
Social Science
Business
Engineering & Technology
Arts & Humanities
History
Miscellaneous
Standardized tests
StudyLib Tip
There are different memorization tools:
not userfriendly, paid, or StudyLib
Add your images
Add your audios
Short term learning
Long term learning
Bulk import from text
Import from Anki
Explore flashcards
Create flashcards
Robot Manipulation in Human Environments Computer Science and Artificial Intelligence Laboratory
Robot Localization, Navigation and Mapping
Robot Localization Using Overhead Camera and LEDs Emmanuel Johnson , Edwin Olson
robot line tracking mouse kit c-9801
Robot Learning With Predictions of Operator Intent
Robot Learning Manipulation Action Plans by Yezhou Yang Yi Li
Robot Learning from Demonstration: Kinesthetic Teaching vs. Teleoperation Abstract
Robot Learning by Demonstration School of Computer Science Internship Project Report Supervisor:
Robot Lab - GICL Wiki
Robot Kinematics & Dynamics: Baxter Robot Modeling
Robot Kinematics
Robot Intelligence
Robot Intelligence
Robots Industriales: Aplicaciones y Tecnología ABB
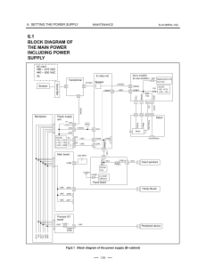
Robot Power Supply Block Diagram - Technical Manual
Robot guidance of an ultrasound probe toward a 3D region of
Robot Grasp Planning using Parallel Sampling to Estimate
Robot Geometry Robot Vision Sensors End Effectors Robotic Arms
robot geometry and kinematics
Robot Game Updates - FIRST LEGO League
Robot Fleets for Highly Effective Agriculture and
Robot Fault Diagnosis Using a Novel High Speed Double
Fanuc LR Mate 200iD Robot Programming: Industrial Automation Guide
FANUC R-30iB Robot Controller Dual Check Safety Operator's Manual
«
prev
1 ...
209099
209100
209101
209102
209103
209104
209105
209106
209107
... 241181
»
next
Suggest us how to improve StudyLib
(For complaints, use
another form
)
Your e-mail
Input it if you want to receive answer
Rate us
1
2
3
4
5
Cancel
Send