4
3
1
2
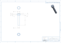
Bolt
Drawing for educational purposes only
06/07/21
D
D
⌀14.00
9.00
8.00
C
19.0 °
C
4.00
60.00
B
⌀10.00
A
Unless otherwise
specified:
-Tolerances:
ISO 2768
-Dimensions [mm]
Lessons
CREO with Chris
4
3
2
Bolt
A
Creo Parametric 7.0
Beginner to Advanced Course
Size C
CJR
Sheet 1 of 1
1